硅橡胶制品因其具有优良的弹性,耐高低温,耐侯性,导电性,在工业制造领域得到了广泛应用,如我们日常生活中常见的的硅胶按键,硅胶保护套,橡胶防尘套,密封圈等都是采用硅胶或者橡胶材料所制造出来的。东莞长安涌永硅橡胶制品有限公司作为一家23年专注硅橡胶产品OEM制造的外商投资企业,今天为大家梳理一下硅橡胶产品定制的一般流程。
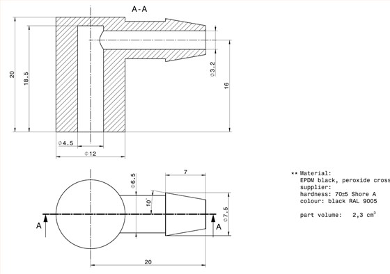
1.“客户需求”在定制硅橡胶产品之前首先需要有产品的基本信息,如产品的使用环境,如耐温要求,酸碱性,耐油等,以方便我们选择适当的材料。如有产品2D/3D图纸则以客户图纸为准。我们会根据产品尺寸和要求评估现有工艺是否能满足客户的要求。
2.“方案沟通”确定工艺都没有问题后,我们还会根据客户的需要量和外观尺寸精度要求确定模具结构和模穴数,以及是否需要开样模等,并以次给出正式的报价单。
3.“材料研制”双方确认报价单无异议后就开始正式的工程开发阶段。我们会根据客户提供的材料物性表选择合适的材料以满足材料物性要求。
4.“模具开发”按照之前沟通的方案,进行模具设计并出正式的模具2D及3D图档然后进行相关模具加工。
5.“样品承认”一切准备就绪就可以进行首次的样品打样,我们会提供一定数量的样品(必要时可提供材料检测报告及产品尺寸检测报告)给到客户经行确认,如NG则进行针对性的改善直至样品OK。
6.“订单生产”样品OK后,根据客户下的订单进行试产和量产。
kaiyun开云官方 专注硅橡胶制品23年,为客户提供材料研发,模具开发到产品制造的真挚顾问式的服务,想要了解更多公司更多资讯可以登录公司官网:m.huituinternet.com或者拨打公司电话:0769-85536776
